
| Nutzung | Spitalnutzung / Zentralsterilisation |
| Standort | Aarau |
| Bauherr | Gesundheitsdepartement Kt. Aargau / Kantonsspital Aarau |
| Auftraggeber | Gesundheitsdepartement Kt. Aargau |
| Generalplaner | Rapp Arcoplan, Basel |
| Architektur | Rapp Arcoplan, Basel |
| Planung | 2007 - 2008 |
| Realisierung | 2009 - 2010 |
Erläuterung
Die in die Jahre gekommene Zentralsterilisation im Kantonsspital Aarau entsprach nicht mehr den heute geltenden Anforderungen. In Folge dessen musste am gleichen Standort, bei laufendem Spitalbetrieb, eine neue Zentralsterilisation realisiert werden. Eine besondere Aufgabe stellte die „Zertifizierbarkeit“ der neuen Zentralsterilisation durch Swissmedic dar. Die Zertifizierung setzt eine lückenlose Dokumentation für den Verlauf der medizinischen Instrumente, während und nach den Reinigungs- und Sterilisationsprozessen, voraus.
Leistungen von Kalt + Halbeisen Ingenieurbüro AG
Wettbewerbserfolg!Bearbeitung der gesamten Gebäudetechnik HLKKS, Medizinalgasversorgung und die Fachkoordination vom Wettbewerbskonzept bis zur Schlussabnahme. Installationssumme HLKKS beträgt ca. 2.5 Mio.
Baukosten
ca. CHF 12 Mio.
Technische Highlights
Lüftung / Klima
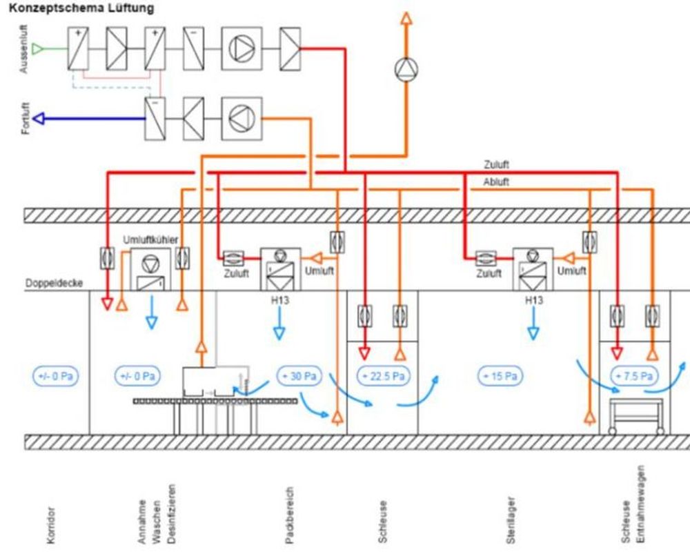
Die Lüftungsanlage Zentralsterilisation wird zur Erfüllung der hygienischen, technischen und energetischen Anforderungen durch eine neu installierte Lüftungsanlage ersetzt. Bei der Anlagenkonzeption, steht die Hygiene im Zentrum, so dass Kreuzkontaminationen ausgeschlossen werden können. Die Anlage ist so disponiert, dass jederzeit kontrollierte Druck- und Strömungsverhältnisse vorzufinden sind. Druckstufen/Raumklassen: Zonenweise werden die Druckstufen mittels Volumen-stromreglern reguliert und garantiert, wobei der Überdruck von der Sterilzone über die Reinzone zur Schmutzzone ab-nehmend ist. So wird eine generelle Luftströmung von reineren Bereichen zu weniger reinen Bereichen sichergestellt. Entsprechend der Guidelines „Gute Praxis zur Aufbereitung von sterilen Medizinprodukten“ wird für den Packbereich die Reinraumklasse ISO 8 (gem. ISO 14644-1) eingerichtet. Auf Grund der Besonderheit, dass vom OP-Sterilgang ohne Ausschleusung Sterilgut geholt werden kann, wird auch das Sterillager gem. ISO Kl. 8 ausgeführt.
Sanitär / Medien
Die Speisung der Reindampfanlage erfolgt mit EN/SN 285 konformem Speisewasser ab der 2. Stufe der Wasseraufbereitung.
Referenzauskunft
Rapp Arcoplan, Herr Thomas Stegmaier, Telefon 061 335 77 25 oder thomas.stegmaier@rapp-arcoplan.ch
Eindrücke
Die folgenden Bilder zeigen, wie sich unsere Planung im Raum entfaltet. Sie geben einen Eindruck davon, wie technische Lösungen, Architektur und Nutzung zu einem stimmigen Gesamterlebnis zusammenfinden.
Download
Das Projektdossier fasst alle wichtigen Informationen, Kennzahlen und Highlights kompakt zusammen.
Hier finden Sie die zentralen Inhalte des Projekts übersichtlich aufbereitet.
Als PDF herunterladen
Interessant für Ihr eigenes Projekt?
Wir sorgen für effiziente Energie- und Wasserversorgung, regelbare Wärme, hygienische Luft und eine sichere Abwasserführung – damit Ihre Gebäude funktionieren, Kosten kontrollierbar bleiben und der Betrieb reibungslos läuft.













